
应用:
DT3M8080是三相产品,相比两相步进驱动器,三相产品具有更平滑的电机输出表现,噪音和振动也会有更显著的改善,性价比高,适用于雕刻机,点胶机等行业。
特性:
• 输入电压:24-75VDC
• 输出相电流:7.8A
• 3个数字输入口:脉冲/方向/使能信号, 5-24VDC, 光电隔离
• 8档细分, 拨码开关选择
• 8档电流, 拨码开关选择
• 旋钮开关选择电机参数以配合DSP算法, 使电机性能最优化
• 自动减流功能:50%或90%, 拨码开关选择
• 1个数字输出口:报错信号输出
• 自检功能
• 保护:过压, 欠压, 过流, 电机开路检测


端口与接地:
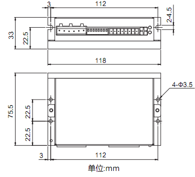
机械尺寸:


电话:0755-25796858
传真:0755-25796696
邮箱:sales@dt-me.com
地址:广东省深圳市南山区西丽街道麻磡社区麻磡路18号工业区8栋5楼
华中办事处:童仁青 18975332020
地址:湖南省长沙县星沙大道39号财富港湾1栋2单元1613号
华东办事处:朱兴科 18128820282
地址:江苏省苏州市昆山市昆山开发区四季华城32栋2单元1503
![]() | ![]() | |
| 微信扫一扫 | 手机扫一扫 |
13332976238
13088821218
18975332020
18615652751
18128820282
外贸客服
18926576949