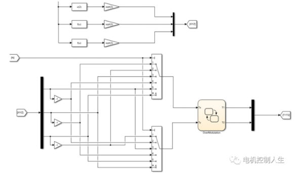
一、SVPWM算法

1、根据T1和T2判断合成矢量Uref所处扇区。

2、计算相邻非零矢量作用时间。

3、计算扇区内非零矢量和零矢量作用时间。

4、将三相占空比写入比较寄存器。
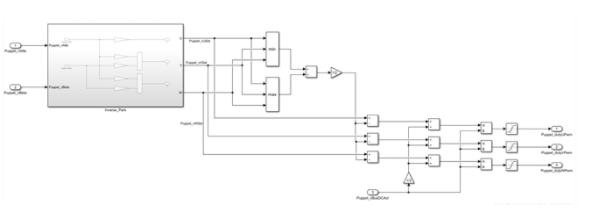
二、SYPWM算法
三相电压包含相电压基波与谐波,谐波即包含电压零序分量的三次谐波。下图为实现的整体模块和输入波形

SYPWM实现步骤:
1、输入Alfa电压、Bete电压、母线电压,经过逆Park变换后得到U、V、W相目标电压;
2、取三项电压的最大和最小值求和除以2;
3、每项电压减去2中的结果,加上母线电压的一半,除以母线电压;
4、得到三项PWM输出占空比(输出结果0-1)。

三、仿真对比
将SVPWM和SYPWM进行仿真,搭建仿真模型进行对比,SVPWM和SYPWM输出的三相占空比完全重合。

四、结论
SVPWM和SYPWM都可以实现同样的功能。SVPWM需要计算扇区、矢量作用时间、占空比计算,运算复杂,不利于理解。SYPWM只需要将三相电压进行拼接和平移,计算量小了很多,不用计算扇区,非常适合高实时性能需求的嵌入式系统。

电话:0755-25796858
传真:0755-25796696
邮箱:sales@dt-me.com
地址:广东省深圳市南山区西丽街道麻磡社区麻磡路18号工业区8栋5楼
华中办事处:童仁青 18975332020
地址:湖南省长沙县星沙大道39号财富港湾1栋2单元1613号
华东办事处:朱兴科 18128820282
地址:江苏省苏州市昆山市昆山开发区四季华城32栋2单元1503
![]() | ![]() | |
| 微信扫一扫 | 手机扫一扫 |
13332976238
13088821218
18975332020
18615652751
18128820282
外贸客服
18926576949